HOME»基本情報技術者平成23年特別»午後問10
基本情報技術者平成23年特別 午後問10
⇄問題文と設問を画面2分割で開く⇱問題PDF問10 ソフトウェア開発(COBOL)
次のCOBOLプログラムの説明及びプログラムを読んで,設問1,2に答えよ。
〔プログラムの説明〕
小売業のC社では,自社株主へ株主優待として,自社店舗で利用できる商品券を 発行することにした。株主の保有株数と保有期間によって,発行額を決定する。この会社では,毎年3月31日の株取引終了時点で自社株を保有している株主を対象とした株主一覧を作成しており,商品券は,2011年3月31日に作成した株主一覧に 登録されている個人株主に対して発行する。
このプログラムは,株主ファイルを読み込み,発行する商品券の発行額を商品券ファイルに出力する。

〔プログラムの説明〕
小売業のC社では,自社株主へ株主優待として,自社店舗で利用できる商品券を 発行することにした。株主の保有株数と保有期間によって,発行額を決定する。この会社では,毎年3月31日の株取引終了時点で自社株を保有している株主を対象とした株主一覧を作成しており,商品券は,2011年3月31日に作成した株主一覧に 登録されている個人株主に対して発行する。
このプログラムは,株主ファイルを読み込み,発行する商品券の発行額を商品券ファイルに出力する。
- 株主ファイルは,2011年3月31日に作成した株主一覧に登録されている個人株主を 対象に作成した,図1に示すレコード様式の順ファイルである。

- 株主番号には,株主に対して一意に割り当てた番号が設定されている。
- 保有株数には,保有する株数が設定されている。保有株数の最大は 999,999 とする。
- 登録年には,最初に株主一覧に登録された年が設定されている。ただし,株をすべて 売却した後に再取得した株主の場合は,再取得後,株主一覧に登録された年が設定される。
- 保有期間は,登録年から2011年までの年数で決定する。例えば,登録年が2006年の場合は5年である。
- この会社が株式公開したのは1990年4月1日であり,最初に株主一覧へ登録されるのは1991年3月31日である。したがって,最長保有期間は20年である。
- 商品券ファイルは,図2に示すレコード様式の順ファイルである。発行額には,各株主に対する商品券の発行額を設定する。発行額は,表1に示す決定表によって決まる。



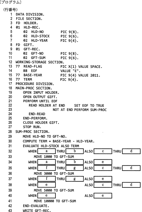
設問1
プログラム中の に入れる正しい答えを,解答群の中から選べ。
a,b に関する解答群
- 1
- 9
- 10
- 99
- 999
- 1000
- ANY
- OTHER
c,d,e に関する解答群
- 0
- 1
- 4
- 5
- 9
- 10
- ANY
- OTHER
f,g に関する解答群
- 1000
- 3000
- 5000
- 9999
- 10000
- 20000
- ANY
- OTHER
解答選択欄 :
- a:
- b:
- c:
- d:
- e:
- f:
- g:
解答 :
- a=ア
- b=オ
- c=ア
- d=ウ
- e=キ
- f=ア
- g=エ
解説 :
この設問の解説はまだありません。
設問2
保有期間の傾向を確認するため,商品券の発行額の算出と同時に,図3に示す棒グラフを表示するようプログラムを変更したい。表2中の に入れる正しい答えを,解答群の中から選べ。
〔グラフの説明〕
〔グラフの説明〕
- 行の先頭に表示してある数字は,保有期間を表す。
- "*"は,当該保有期間に該当する株主比率を表す。
- 株主比率は,2%未満の端数を切り捨て,"*"一つを2%として表示する。
- 目盛りの数字の単位は10%である。

h に関する解答群
- ADD 1 TO CNT-HLD(CNT)
- ADD 1 TO CNT-HLD(CNT + 1)
- ADD 1 TO CNT-HLD(CNT - 1)
- ADD 1 TO CNT-HLD(TERM)
- ADD 1 TO CNT-HLD(TERM + 1)
- ADD 1 TO CNT-HLD(TERM - 1)
i に関する解答群
- COMPUTE RATIO = (CNT-ALL * 100 / CNT-HLD(CNT)) / 2
- COMPUTE RATIO = (CNT-ALL * 100 / CNT-HLD(CNT + 1)) / 2
- COMPUTE RATIO = (CNT-ALL * 100 / CNT-HLD(CNT - 1)) / 2
- COMPUTE RATIO = (CNT-HLD(CNT) * 100 / CNT-ALL)/ 2
- COMPUTE RATIO = (CNT-HLD(CNT + 1) * 100 / CNT-ALL) / 2
- COMPUTE RATIO = (CNT-HLD(CNT - 1) * 100 / CNT-ALL) / 2
解答選択欄 :
- h:
- i:
解答 :
- h=オ
- i=オ
解説 :
この設問の解説はまだありません。
